Liantec Systems Corporation
Build the Niche
Embedded Computing Solution

||  English  |  中文首  |  最新消息  |  介紹  |  客制化服务  |  技术支援  |  力安  |  我們  ||

ITX-6M45 GM45 Penryn
ITX-6965 GME965 Core2 Duo
ITX-6945 945GME Core2/Core
ITX-6910 915GME Pentium M
ITX-6900 915GME Pentium M
ITX-6815 Intel Pentium M
ITX-6810 Intel Pentium M
ITX-6800 Intel Pentium M
ITX-6700 AMD Geode NX
 
EMB-5940 Core2 Duo Mobile
EMB-5740 VIA C7-Eden
EMB-5842 Intel Pentium M
 
EMB-5950 Atom 945GSE
EMB-5930 Core2 Duo Mobile
EMB-5730 VIA C7 CX700M
EMB-5830 Intel Pentium M
EMB-5530 AMD Geode LX
 
EMB-3100 Intel eMenlow
EMB-3700 VIA C7 CX700M
 
EPX-8800 Intel Pentium M
 
Tiny-Bus 绘图与视讯扩充模组
Tiny-Bus PCI Express 扩充模组
Tiny-Bus PCI 扩充模组
Tiny-Bus DC/ATX 电源模组
Tiny-Bus 周边与开发工具模组
 
工业电脑硬体系统平台
1U Mini-ITX工业电脑平台
壁掛式 / 单机戒 Mini-ITX 平台
嵌入式 5.25" 工业电脑平台
 
工业电脑周边配件
DC/DC ATX 电源转接器
AC/DC 电源供应器
嵌入式 CPU散热器
固态电子盘 (SSD)
 
 


powered by FreeFind

TBM-1420 series

Tiny-Bus PCIe Video Capture Module

with 4-CH / 120 fps Video Capture

Onboard PCI Express to 4 PCI Bridge

Tiny-Bus Modular Expansion Solution

Key Features :

The TBM-1420 is a Tiny-Bus® video capture module based on the x1 PCIe (x1 PCI-Express) to four PCI bridge with four onboard PCI-based video capture controllers, features the PCIe-based modular expansion solution for the for the DVR surveillance and industrial small form factor (SFF) embedded x86-based computing applications.

  • Four BT878A video capture chips with x1 PCIe to 4 PCI bridge.

  • High data transfer bandwidth with PCI Express bus interface.

  • Liantec embedded Tiny-Bus® Modular Expansion Solution.

Liantec TBM-1420 Tiny-Bus PCIe 4 Channel / 120 fps Video Capture Module

Photo Gallery

TBM-1420 Sample Enquiry



 

Specification

General Specification

Tiny-Bus® Modular Expansion Solution with PCI Express based bus interface.

Onboard PCI Express to PCI bridge supports 4 bus master PCI interfaces

Onboard four Conexant Fusion 878A video capture controllers with 120 frames per sec.

External four BNC video input interfaces.

External / Internal Connector

External four BNC video input connectors.

Internal 4-pin floppy-type power connector for auxiliary +5V DC power.

 

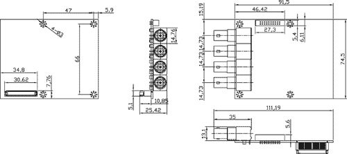
Mechanical Drawing

TBM-1420 Mechanical Drawing

 

Compatible EmBoard

ITX-6965

Mini-ITX Intel GME965 Core 2 Duo Mobile Express EmBoard

with GMA X3100 VGA, LVDS, TV-out, HD Audio, Gbit Ethernet, SATA-II 300

and Tiny-Bus Modular Expansion Solution


ITX-6945

Mini-ITX Intel 945GME Core Mobile Express EmBoard

with GMA950 VGA, LVDS, TV-out, HD Audio, Gbit Ethernet, SATA-II 300

and Tiny-Bus Modular Expansion Solution


ITX-6910

Mini-ITX Intel Mobile Pentium M / Celeron M Express EmBoard

with GMA900 VGA, LVDS, HD Audio, Gbit Ethernet, SATA

x16 PCI Express Graphics Slot and Tiny-Bus Modular Expansion Solution


ITX-6900

Mini-ITX Intel Mobile Pentium M / Celeron M Express EmBoard

with GMA900 VGA, LVDS, HD Audio, Gbit Ethernet, SATA

and Tiny-Bus Modular Expansion Solution

 

Ordering Code

TBM-1420B4

Tiny-Bus PCIe 4-CH / 120 fps Video Capture Module

with Four BNC Video Input Connectors

 


| 网站地图 Site Map |

(C) Copyright 2004-2009 力安科技 / Liantec Systems Corporation. All Rights Reserved.