Liantec Systems Corporation
Build the Niche
Embedded Computing Solution

||  English  |  中文首  |  最新消息  |  介紹  |  客制化服务  |  技术支援  |  力安  |  我們  ||

ITX-6M45 GM45 Penryn
ITX-6965 GME965 Core2 Duo
ITX-6945 945GME Core2/Core
ITX-6910 915GME Pentium M
ITX-6900 915GME Pentium M
ITX-6815 Intel Pentium M
ITX-6810 Intel Pentium M
ITX-6800 Intel Pentium M
ITX-6700 AMD Geode NX
 
EMB-5940 Core2 Duo Mobile
EMB-5740 VIA C7-Eden
EMB-5842 Intel Pentium M
 
EMB-5950 Atom 945GSE
EMB-5930 Core2 Duo Mobile
EMB-5730 VIA C7 CX700M
EMB-5830 Intel Pentium M
EMB-5530 AMD Geode LX
 
EMB-3100 Intel eMenlow
EMB-3700 VIA C7 CX700M
 
EPX-8800 Intel Pentium M
 
Tiny-Bus 绘图与视讯扩充模组
Tiny-Bus PCI Express 扩充模组
Tiny-Bus PCI 扩充模组
Tiny-Bus DC/ATX 电源模组
Tiny-Bus 周边与开发工具模组
 
工业电脑硬体系统平台
1U Mini-ITX工业电脑平台
壁掛式 / 单机戒 Mini-ITX 平台
嵌入式 5.25" 工业电脑平台
 
工业电脑周边配件
DC/DC ATX 电源转接器
AC/DC 电源供应器
嵌入式 CPU散热器
固态电子盘 (SSD)
 
 


powered by FreeFind

TBM-16SDVOD series

基于Tiny-Bus的双DVI扩展模组.

配备有2组基于英特尔SDVO技术的DVI接口和Mini-PCI Type-IIIA/B插槽

Tiny-Bus Modular Expansion Solution

Key Features :

TBM-16SDVOD,它基于英特尔双通道SDVO接口介面,提供双DVI外置接口的视频扩展模组。它还能为基于嵌入式X86级的工业小型化图形运算平台,提供mini-PCI接口。

·         英特尔双通道SDVO接口,带有双DVI传输通道。

·         DVI外置接口

·         带有一个mini-PCI-III A/B插槽

·         采用力安嵌入式的Tiny-Bus模组扩展解决方案

Liantec TBM-16SDVOD : Tiny-Bus Dual DVI Extension Module

Liantec TBM-16SDVOD Tiny-Bus Intel SDVO Dual DVI Extension Module


Photo Gallery

TBM-16SDVOD Sample Enquiry



 

Specification

General Specification

Tiny-Bus® Modular Extension Solution with Intel SDVO and PCI interface.

Onboard dual Intel SDVO-based DVI transmitters.

DVI resolution depends on Intel GMCH / driver.

Onboard Type-IIIA/B mini-PCI Extension interface.

Application Notice

The motherboard should change the 4-USB connector to 2-USB connector.

External / Internal Connector

External dual DVI connectors.

Onboard 124-pin mini-PCI Type-III socket.

 

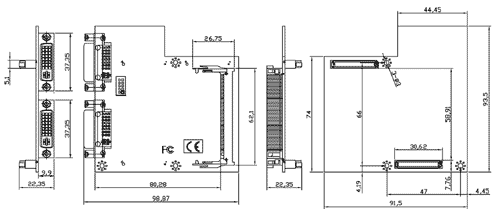
Mechanical Drawing

TBM-16SDVOD Mechanical Drawing

 

Compatible EmBoard

ITX-6M45

Mini-ITX Intel GM45 Penryn Core2 Duo/Quad Mobile Express EmBoard

with GMA X4500 VGA, LVDS, TV-out, Audio, Gbit Ethernet, SATA-II 3Gbit/s

and Tiny-Bus Modular Extension Solution


ITX-6965

Mini-ITX Intel GME965 Core2 Duo Mobile Express EmBoard

with GMA X3100 VGA, LVDS, TV-out, Audio, Gbit Ethernet, SATA-II 3Gbit/s

and Tiny-Bus Modular Extension Solution


ITX-6945

Mini-ITX Intel 945GME Core2 / Core Mobile Express EmBoard

with GMA950 VGA, LVDS, TV-out, Audio, Gbit Ethernet, SATA-II 3Gbit/s

and Tiny-Bus Modular Extension Solution


ITX-6900

Mini-ITX Intel 915GME Pentium M / Celeron M Express EmBoard

with GMA900 VGA, LVDS, HD Audio, Gbit Ethernet, SATA

and Tiny-Bus Modular Extension Solution


EMB-5930

5.25" Drive-size Intel GME965 Core2 Duo Mobile HD Multimedia EmBoard

with VGA, LVDS, TV-out, HD Audio, Gbit Ethernet, SATA-II 3Gbit/s

and Tiny-Bus Modular Extension Solution


EMB-5950

5.25" Drive-size Intel Atom 945GSE Multimedia EmBoard

with VGA, LVDS, TV-out, HD Audio, Gbit Ethernet, SATA-II 3Gbit/s

and Tiny-Bus Modular Extension Solution

* Single Intel SDVO / DVI extension Only

 

Ordering Code

TBM-16SDVOD2

Tiny-Bus Intel SDVO-based Dual DVI and Mini-PCI Module

with Dual External DVI Connectors and Mini-PCI Socket


TBM-16SDVOD1

Tiny-Bus Intel SDVO-based Single DVI and Mini-PCI Module

with Single External DVI Connectors and Mini-PCI Socket

 


| 网站地图 Site Map |

(C) Copyright 2004-2009 力安科技 / Liantec Systems Corporation. All Rights Reserved.