Liantec Systems Corporation
Build the Niche
Embedded Computing Solution

||  English  |  中文首  |  最新消息  |  介紹  |  客制化服务  |  技术支援  |  力安  |  我們  ||

ITX-6M45 GM45 Penryn
ITX-6965 GME965 Core2 Duo
ITX-6945 945GME Core2/Core
ITX-6910 915GME Pentium M
ITX-6900 915GME Pentium M
ITX-6815 Intel Pentium M
ITX-6810 Intel Pentium M
ITX-6800 Intel Pentium M
ITX-6700 AMD Geode NX
 
EMB-5940 Core2 Duo Mobile
EMB-5740 VIA C7-Eden
EMB-5842 Intel Pentium M
 
EMB-5950 Atom 945GSE
EMB-5930 Core2 Duo Mobile
EMB-5730 VIA C7 CX700M
EMB-5830 Intel Pentium M
EMB-5530 AMD Geode LX
 
EMB-3100 Intel eMenlow
EMB-3700 VIA C7 CX700M
 
EPX-8800 Intel Pentium M
 
Tiny-Bus 绘图与视讯扩充模组
Tiny-Bus PCI Express 扩充模组
Tiny-Bus PCI 扩充模组
Tiny-Bus DC/ATX 电源模组
Tiny-Bus 周边与开发工具模组
 
工业电脑硬体系统平台
1U Mini-ITX工业电脑平台
壁掛式 / 单机戒 Mini-ITX 平台
嵌入式 5.25" 工业电脑平台
 
工业电脑周边配件
DC/DC ATX 电源转接器
AC/DC 电源供应器
嵌入式 CPU散热器
固态电子盘 (SSD)
 
 


powered by FreeFind

TBM-1222 series

基于Tiny-Bus的视频采集模组

带有4通道/120 fps(NTSC / PAL)输入,以及一个Mini-PCI Type-IIIA/B插槽

Tiny-Bus Modular Expansion Solution


Key Features :

TBM-1222是一种采用Tiny-Bus®技术的视频采集模组,板载四组基于PCIBT878A控制芯片,具有120 fps的视频采集能力。该产品适用于监控DVR和其他基于X86级工业小型化的运算应用领域。

·         板载四组BT878A控制芯片,最高支持120 fps的视频采集能力

·         四组同轴电缆连接器(BNC)视频输入接口

·         一个mini-PCI type-III A/B插槽

·         力安科技的嵌入式Tiny-Bus扩展模组解决方案

 

Liantec TBM-1222 Tiny-Bus 4 Channel / 120 fps Video Capture Module

Photo Gallery

TBM-1222 Sample Enquiry



 

Specification

General Specification

Tiny-Bus® Modular Expansion Solution with PCI-based bus interface.

Onboard four Conexant Fusion 878A video capture controllers

Supports 4 channel / 120 frames per second of video input.

External four BNC connectors

Onboard Mini-PCI Type-IIIA/B socket.

External / Internal Connector

External four BNC connectors

Onboard 124-pin Mini-PCI Type-III socket

 

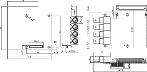
Mechanical Drawing

TBM-1222 Mechanical Drawing

 

Compatible EmBoard

ITX-6965

Mini-ITX Intel GME965 Core 2 Duo Mobile Express EmBoard

with GMA X3100 VGA, LVDS, TV-out, HD Audio, Gbit Ethernet, SATA-II 300

and Tiny-Bus Modular Expansion Solution

Recommend : TBM-1420 Tiny-Bus PCI Express Video Capture Module


ITX-6945

Mini-ITX Intel 945GME Core Mobile Express EmBoard

with GMA950 VGA, LVDS, TV-out, HD Audio, Gbit Ethernet, SATA-II 300

and Tiny-Bus Modular Expansion Solution

Recommend : TBM-1420 Tiny-Bus PCI Express Video Capture Module


ITX-6910

Mini-ITX Intel Mobile Pentium M / Celeron M Express EmBoard

with GMA900 VGA, LVDS, HD Audio, Gbit Ethernet, SATA

x16 PCI Express Graphics Slot and Tiny-Bus Modular Expansion Solution

Recommend : TBM-1420 Tiny-Bus PCI Express Video Capture Module


ITX-6900

Mini-ITX Intel Mobile Pentium M / Celeron M Express EmBoard

with GMA900 VGA, LVDS, HD Audio, Gbit Ethernet, SATA

and Tiny-Bus Modular Expansion Solution

Recommend : TBM-1420 Tiny-Bus PCI Express Video Capture Module


ITX-6815

Mini-ITX Intel Mobile Pentium M / Celeron M EmBoard

with VGA, LVDS, Audio, Gbit Ethernet, Single DC Power Operating

and Tiny-Bus Modular Expansion Solution


ITX-6810

Mini-ITX Intel Mobile Pentium M / Celeron M EmBoard

with VGA, LVDS, Audio, Gbit Ethernet

and Tiny-Bus Modular Expansion Solution


ITX-6800

Mini-ITX Intel Mobile Pentium M / Celeron M EmBoard

with VGA, LVDS, Audio, Dual Gbit Ethernet, IEEE1394 Firewire

and Tiny-Bus Modular Expansion Solution


ITX-6700

Mini-ITX AMD Embedded Geode NX EmBoard

with VGA, Audio, Gbit Ethernet and Tiny-Bus Modular Expansion Solution


EMB-5740

5.25" Drive-size VIA C7-Eden Multi-Ethernet EmBoard

with VGA, Four Gbit Ethernet, CompactFlash / Mini-PCI Socket

and Tiny-Bus Modular Expansion Solution


EMB-3700

3.5" Drive-size VIA C7-Eden Multimedia EmBoard

with VGA, MPEG-2/4/WMV9 Accelerator, Ethernet, CompactFlash Socket

and Tiny-Bus Modular Expansion Solution

 

Ordering Code

TBM-1222B4P

Tiny-Bus 4-CH / 120 fps Video Capture and Mini-PCI Module

with Four BNC Video Input and 124-pin Mini-PCI Type-III socket

 


| 网站地图 Site Map |

(C) Copyright 2004-2009 力安科技 / Liantec Systems Corporation. All Rights Reserved.